Industria
Evacuatione apparatu et familia adjumenta
• VENTILATIO armorum
-Axial fluxus fans
-Centrifuga fans
-Roof ventilators
• Adjumenta hospitii:
-Washing machinarum
-Air purgatores
-Cooling fans
-Refrigerators
Related Products
×
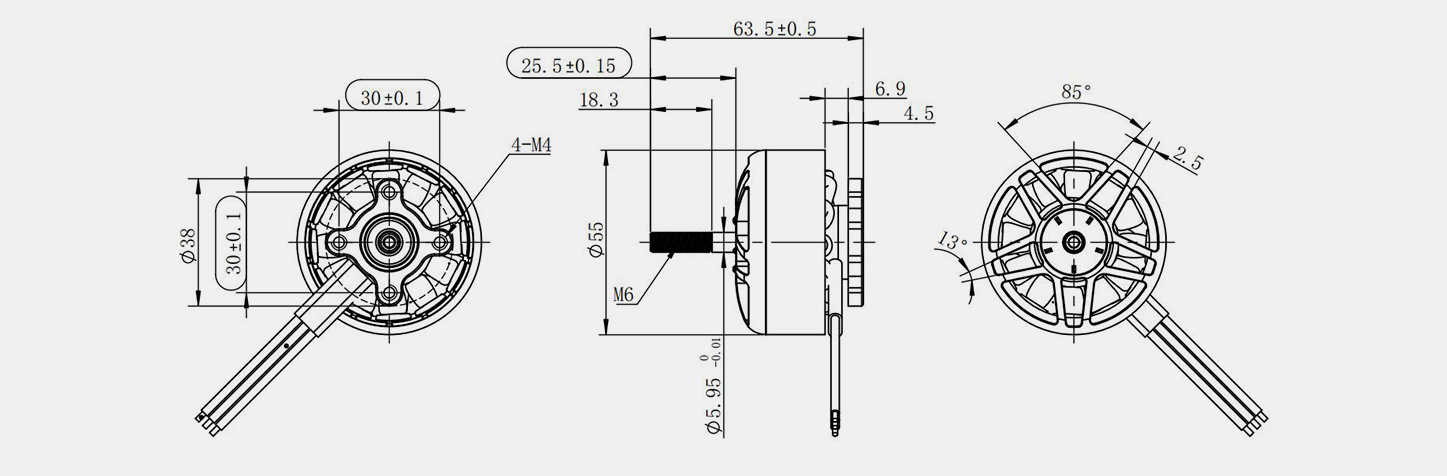
| Electric Spec. | |||||||||||||||||||||||||
| Maximilianus. P (W) | Voltage (V) | Maximilianus. Et ego. (A) | KV | Nullus onus Current (A) | Resistentia (mΩ) | Poloni | Motor Dim. (mm) | Statoris Dim. (mm) | Adscendens (mm) | N.W. (g) | Prop. (inch) | ||||||||||||||
| 1052 | 25~33.6 | 45 | 350 | 1.5 | 45 | 14 | φ55*38 | φ47*15 | M3-30*30 | 277 | 13" | ||||||||||||||
| Mitte Testis Data | |||||||||||||||||||||||||
| Propeller | kv Value | Throttle (%) | U (V) | I (A) | N (RPM) | Pout (W) | Pin (W) | Efficientia (G/W) | |||||||||||||||||
| GF1310*3 | 350kV | 30 | 25.13 | 0.304 | 1737.5 | 285 | 7.6 | 4.959 | |||||||||||||||||
| 35 | 25.1 | 1.128 | 2188.7 | 346.9 | 28.3 | 4.644 | |||||||||||||||||||
| 40 | 25.07 | 2.15 | 2586.8 | 395.4 | 53.9 | 4.6 | |||||||||||||||||||
| 45 | 25.01 | 3.905 | 3072.1 | 444.1 | 97.7 | 4.814 | |||||||||||||||||||
| 50 | 24.96 | 5.722 | 3427.8 | 469.5 | 142.8 | 5.128 | |||||||||||||||||||
| 55 | 24.9 | 7.707 | 3734.9 | 484.3 | 191.9 | 5.495 | |||||||||||||||||||
| 60 | 24.82 | 10.228 | 4070.8 | 494.1 | 253.9 | 5.973 | |||||||||||||||||||
| 65 | 24.7 | 13.866 | 4458 | 491.4 | 342.5 | 6.798 | |||||||||||||||||||
| 70 | 24.59 | 17.485 | 4785.6 | 481.2 | 429.9 | 7.62 | |||||||||||||||||||
| 75 | 24.45 | 21.663 | 5093.5 | 460.1 | 529.7 | 8.72 | |||||||||||||||||||
| 80 | 24.3 | 26.413 | 5384.7 | 428.8 | 641.8 | 10.186 | |||||||||||||||||||
| 85 | 24.13 | 31.418 | 5661.1 | 393.6 | 758.3 | 11.977 | |||||||||||||||||||
| 90 | 23.96 | 36.765 | 5909.1 | 352.2 | 880.9 | 14.277 | |||||||||||||||||||
| 95 | 23.75 | 42.922 | 6131.1 | 300.8 | 1019.5 | 17.8 | |||||||||||||||||||
| 100 | 23.7 | 44.411 | 6217.5 | 292.6 | 1052.3 | 18.591 | |||||||||||||||||||
6S 320kV 350kV 380kV fucum motorum LN4715 1.5kg eiice Force
Air purificator 24VDC 40W Fan motor Ceiling Fan Motor wo60 Series
×
Dual intentione 230VAC/12VDC in unum coegi pro remota area solaris panel potentiae copia systematis W70 Series cum testa metallica
Product Features:
Dual voltage auxilium ad fontes potentiae flexibiles
Designed with a durable metal shell for aucta protection
Specimen systematis solaris-Lorem
Reliable perficientur in remotis locis
Dual intentione 230VAC/12VDC in unum coegi pro remota area solaris panel potentiae copia systematis W70 Series cum testa metallica
